Logistic Twists
Horizontal winding machine
Mission Features
- Profiles of any length
- For wrapping and stretching spare parts for shipping without the use of fillers
- Automatic holding and cutting of the film
- Can be integrated into any line
- Fully automatic horizontal wrapping machine
- Electronic control of rotation speed and conveyor belts (driven)
- Pneumatic pressure pad
- Automatic film cutting
- Start and end wrapping or continuous wrapping
- Eight operating programmes
- Keypad with display
- PLC control
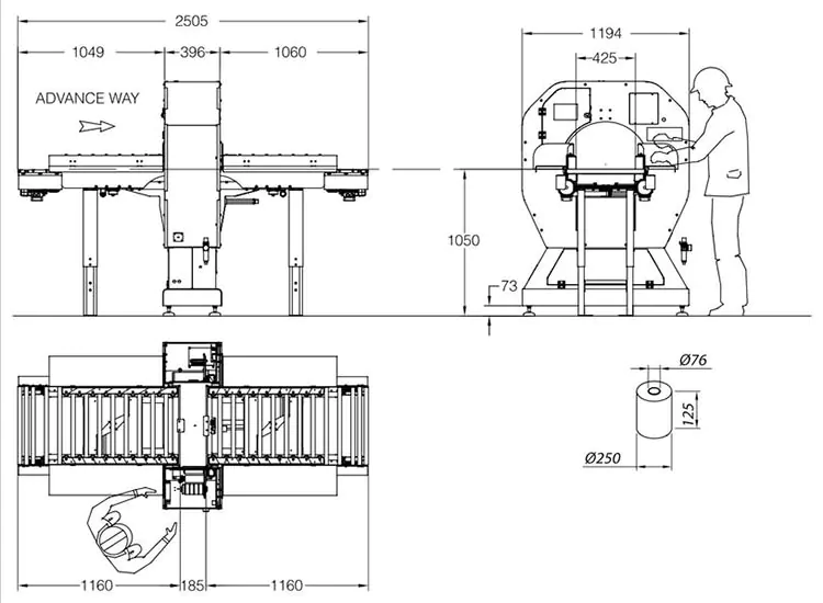
TECHNICAL SPECIFICATIONS
| Technical specifications | Logistic Twists |
|---|---|
| Opening diameter | 420 mm (optional: 620 / 1,000 / 1,400 mm) |
| Max. turning speed | 90 rpm |
| Supply voltage | 220 V 1 ph and 50 / 60 Hz |
| Installed power | 0.95 kW |
| Operating pressure | 6 bar |
| Infeed / outfeed belt length | 1,000 mm |
| Infeed / outfeed belt width | 900 mm |
Film
- Type of film: machine stretch film
- Foil width: 125 / 250 mm
- Foil bags: 17 - 35 µm
- Roll diameter: max. 250 mm
- Roll core diameter: 76 mm
Adjustable parameters on the control panel
- Number of foot and head wraps
- Foil overlap at the beginning / end
- Reinforcement windings
- Speed of the turning unit
- 8 different user-specific programmes can be designed




